
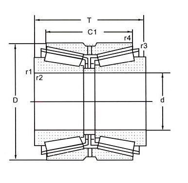
Tapered roller bearings produced by Qiqiang Bearing have the advantages of high temperature resistance, high load bearing, low noise and long life, and are widely used in mechanical equipment and other fields, which can improve equipment stability and operation efficiency.